预作用装置是预作用自动喷水灭火系统中的主要组件,由预作用报警阀组、控制盘、气压维持装置和空气供给装置组成,通过电动、气动、机械或其他方法进行开启,使水能够单向流入喷水系统同时进行报警的一种单向阀组装置。控制柜和空气供给装置均需提供220V外接电源。预作用自动喷水灭火系统在伺应工作状态时,预作用报警阀后配水管道不充水,而充以压力0.03-0.05MPa的空气,用以监测管网密封性。控制供给装置的电接点压力表的调整为:低0.03MPa、高0.05MPa。火灾发生时,配套设置的火灾自动报警系统联动或远控、手动起动预作用报警阀组后,配水管道充水、末端电动排气阀排气转换为湿式自动喷水灭火系统,同时发出报警信号。待火灾进一步发展,喷头开启喷水灭火。预作用自动喷水灭火系统适用于怕水渍损失的场所和环境温度低于 4℃或高于70℃的场所。


三、预作用报警阀的工作原理
雨淋报警阀是预作用报警阀组的主要部件。雨淋报警阀内有供水腔、系统腔和控制腔。伺应状态时,控制腔中压力水推动隔膜封住阀座,将供水腔和系统腔隔开,雨淋报警阀关闭。当电磁阀启动或手动启动时,控制腔卸压,供水腔的压力水推动隔膜离开阀座,报警阀打开。
四、控制盘
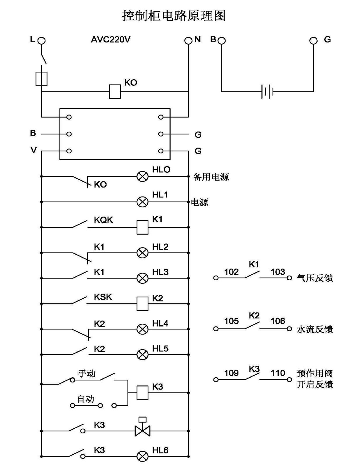
预作用装置的控制盘面板上设有电源电压(工作电源和备用电源)显示,预作用报警阀组开、开状态显示,电磁阀手动开启按钮,高、低气压报警显示,系统充气状态显示等。管网气压正常时,气压正常信号灯亮。因泄漏造成管网气压下降至低于正常气压时,电接点压力表动作,讯响器报警,气压报警信号灯亮,同时将报警信号送往控制中心。当火灾发生时,电磁阀启动,打开预作用报警阀组,电磁阀工作灯亮,电磁阀启动信号反馈至控制中心。
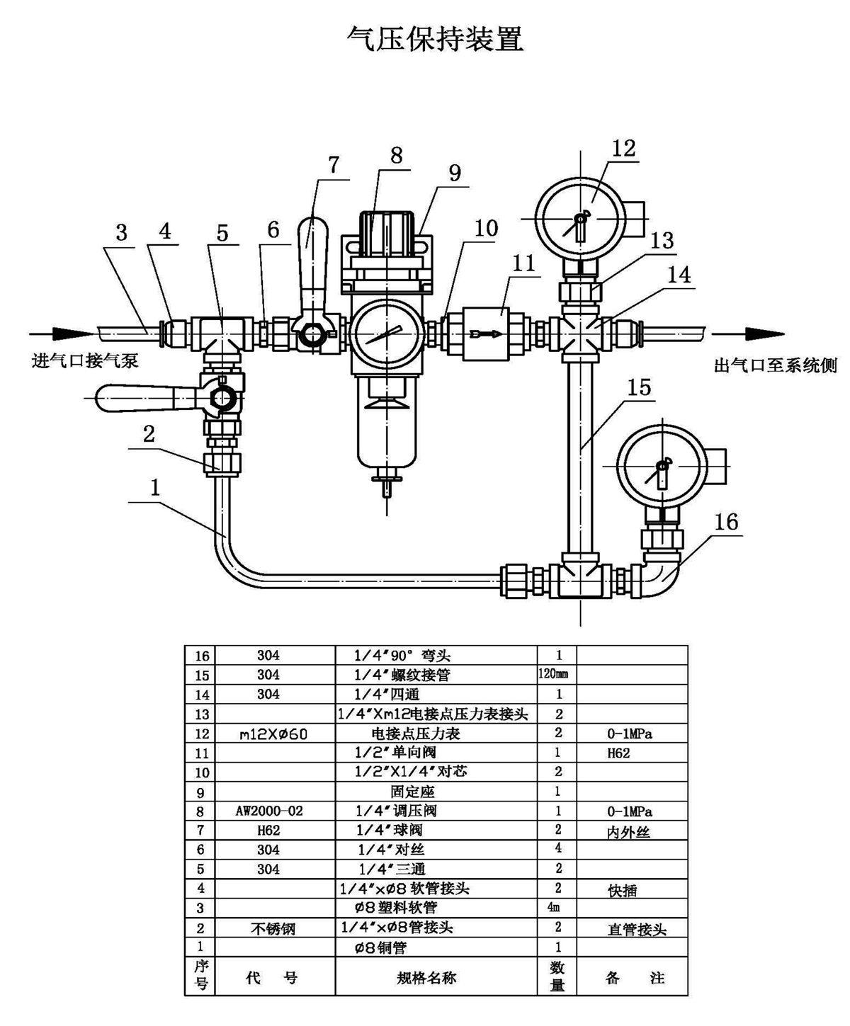
五、气压维持装置
气压维持装置中设有空气过滤器、调压阀、单向阀、控制气泵电接点压力表和监控气压报警电接点压力表。空气压缩机的压缩空气经过气压维持装置的调压阀按需要的压力,送往系统管网。设置的单向阀,保证了进入管网中的水不会泛滥到输送压缩空气的管道中去。控制气泵的电接点压力表调至:低压0.035MPa/高压0.05MPa,而监控管网气压的电接点压力表值调至:低压0.02MPa/高压0.06MPa。
六、预作用装置伺应状态的调整步骤
1、关闭预作用阀组上下的蝶阀和全部球阀,电磁阀断电;
2、打开预作用阀组左侧球阀 4,再打开预作用阀组下的蝶阀供水;
3、打开预作用阀组右侧球阀 2排气,有水排出后关闭;
4、待供水压力表和控制腔压力表压力值相等时,将球阀4其关闭;
5、打开预作用阀组正后方球阀 5 放水。水放完后,关闭此球阀;
6、打开球阀 3试报警。然后关闭;
7、打开预作用阀组上方的蝶阀和报警球阀 1;
8、系统按要求充气后,预作用装置即进入伺应状态。
七、注意事项
1、预作用装置应安装在照明良好和防冻的室内,周围应留有足够的空间以便安装和维修;
2、预作用报警阀必须垂直安装;
3、预作用装置必须设专人监管;
4、预作用报警阀上下必须安装信号蝶阀;
5、预作用报警阀上的球阀伺应状态时必须关闭;
6、供水断水时,必须关闭预作用报警阀下部信号蝶阀,当再次供水时,再按预作用装置伺应状态的调整步骤重新操作;
7、水力警铃用户根据需要自行安装。水力警铃入水口直径为3/4”,配管需要变径。水力警铃排水口必须朝下;
8、空气压缩机的操作和维护,应参照空气压缩机的使用说明书,空气压缩机主要用于系统的补气,以免空气压缩机因长期连续工作而损坏。
订货须知
1. 在订购预作用装置时,请在订单中写明产品名称、型号、规格、数量及要求交货日。2. 预作用装置配置包括:预作用报警阀一套、气压维持装置一套、预作用控制盘一个、空气压缩机一台,使用说明书、合格证各一份。如因设计所需有所增减,请在订货时注明。如需其它配件需单独订货。





